Не нашли нужный товар? Позвоните или напишите нам и мы обязательно подберем для Вас решение.
Договор заключается в момент оплаты Покупателем товара ТОЛЬКО в ОФЛАЙН-МАГАЗИНЕ. Делая предварительный заказ, Покупатель заверяет, что ознакомился и согласен с Политикой компании, она ему ясна и понятна.Печь отопительная Везувий АОГТ 00 до 100 м³ Стекло
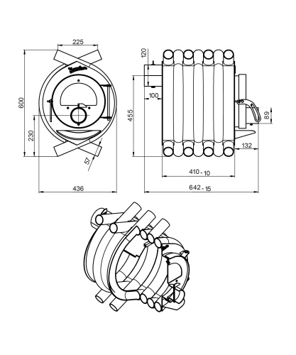
Конструкция и особенности печи
АОГТ представляет собой тепловой агрегат конвекционного типа с КПД 75-80% и системой длительного горения топлива. Сварная конструкция из особо прочной котловой стали 09Г2С и рассчитана на долговременную эксплуатацию. Две камеры сгорания, нижняя камера газификации и верхняя камера дожига газов, обеспечивают практически полное сгорание топлива и получение максимального количества энергии во время работы печи.
Наличие двух регуляторов, регулятора-газификатора и регулятора мощности, позволяет настроить необходимую температуру в помещении и поддерживать её в течение 8-12 часов на одной полной закладке топлива. При правильной настройке печи количество образующейся золы минимально, что облегчает обслуживание печи и уход за ней. Для улучшения работы печи и быстрого прогрева помещения рекомендуется устанавливать печь на возвышении от 200 мм. Таким образом обеспечивается максимально эффективная работа конвекционных труб и ускоренный нагрев воздуха.
Дымоход, огнезащита и комплектующие
Для печи необходим дымоход диаметром 120 мм. Его можно подобрать в разделе дымоходы. Рекомендуем обратить внимание, что первыми элементами от печи могут быть дымоходы черного цвета из котловой стали,которые можно подобрать в разделе дымоходы КПД
Не забудьте про огнезащиту стен.
Под печь необходимо предусмотреть негорючее основание. Рекомендуем использовать листы под печь черного цвета.
Также могут понадобиться важные мелочи.
Характеристики
|
Производитель
|
Везувий (Россия) |
|
Высота, мм
|
600 |
|
Глубина, мм
|
642 |
|
Ширина, мм
|
436 |
|
Диаметр дымохода, мм
|
120 |
|
Выход дымохода
|
сзади |
|
Вес, кг
|
45 |
|
Отапливаемый объем
|
до 100 м3 |
Отправляем продукцию по всей территории РФ.
Ознакомиться с условиями оплаты и получения товара Вы можете на странице «Доставка и оплата».
* Рассчитывается ориентировочная стоимость доставки от ПВЗ города отправления до ПВЗ города получения.
Конечная стоимость определяется после приема груза на терминале компании и зависит от точных габаритов сборки (длина*ширина*высота, вес), типа груза (наименование товара во вложении), вида отгрузки (отгрузка курьеру или в ПВЗ), хрупкости вложения, выбора услуги страхования груза, наличия обязательной обрешетки и дополнительной упаковки, согласно условий и требований к перевозке грузов конкретной ТК.
Вы можете воспользоваться услугами монтажа купленных у нас товаров. Для этого при оформлении заказа на сайте в поле «Нужен монтаж» нужно выбрать пункт «Да».
Также по вопросам монтажа Вы можете проконсультироваться по указанным на сайте телефонам или отправить запрос через любую из расположенных на сайте форм обратной связи.
- Можно доверять! Компания «КПД» работает с 2004 года.
- Работаем только с проверенными бригадами монтажников.
- Произведем расчет и установку любого оборудования из наших магазинов.
- Гарантируем качество выполненных работ.
- Примеры наших работ (смотреть).



